| Rozpływy prądów, bilans mocy w obwodzie AC | |||
![]() |
|||
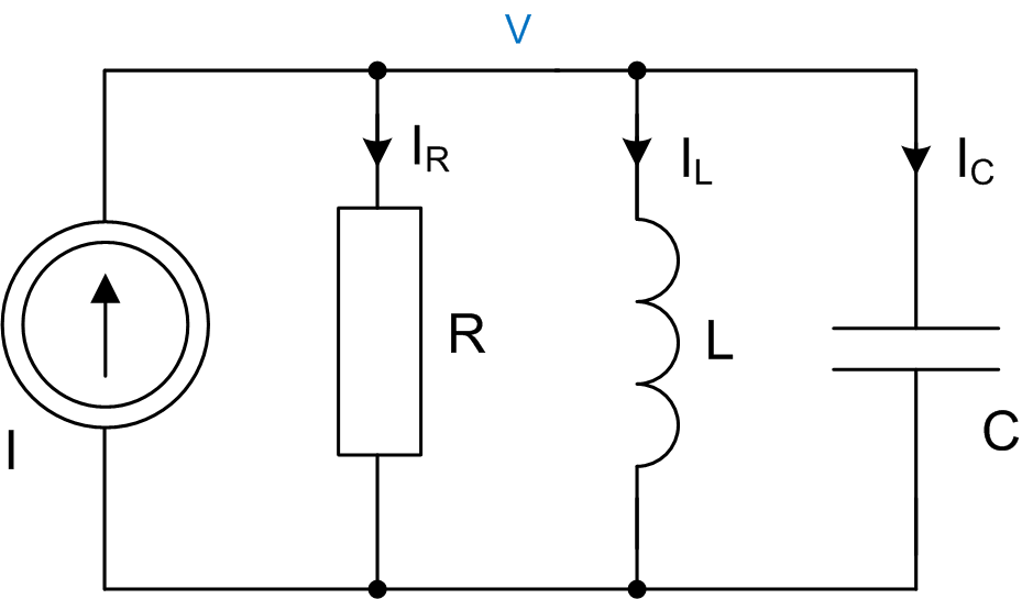
| Obwód | Napięcia w obwodzie | ||
| Moc chwilowa wymuszenia | Prądy w obwodzie | ||
| Isk = | A | ||
| ω = | rad/s | ||
| φ = | o | ||
| R = | Ω | ||
| XL = | Ω | L = | H |
| XC = | Ω | C = | F |
TU |
TU |
| TU |
TU |
Wybrane przypadki
| XL=XC |
| XL=2XC |
| XC=2XL |