3. Symulator

3.3. Schemat wewnętrzna obiektu

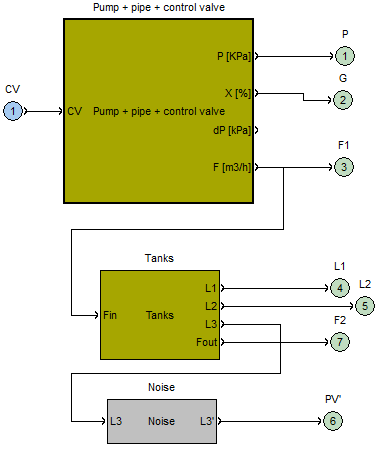
Schemat blokowy obiektu został pokazany na rysunku poniżej.

Schemat blokowy symulatora obiektu – układ zasilania, zbiorniki, pomiary
Schemat blokowy symulatora obiektu – układ zasilania, zbiorniki, pomiary

W skład obiektu wchodzą:

  • Pump+pipe+control valve: podsystem układu zasilania wodą wraz z zaworem regulacyjnym,
  • Tanks: podsystem trzech zbiorników połączonych szeregowo,
  • Noise: podsystem pomiaru wielkości regulowanej wraz z symulacją zakłóceń pomiarowych.

Powyższe podsystemy zostały zamodelowane w klasie TtsPidSim modułu simulator.py. W funkcji inicjalizacyjnej klasy odpowiadają im sekcje:

  • # pump+pipe+control valve,
  • # three tanks,
  • # scaling and noise.